配線図30

→で示す部分の配線工事に必要なケーブルは。 ただし、使用するケーブルの心線数は最少とする。 イ.  ロ.  ハ.  二.  答え

→ Detail

配線図29

→で示す部分最少電線本数(心線数)は。 ただし、電源からの接地側電線はスイッチを経由しないで照明器具に配線する。 イ. 2 ロ. 3 ハ. 4 二. 5 答え

→ Detail

配線図28

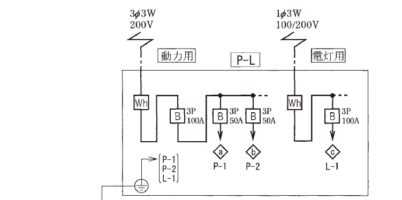
→で示す部分の接地工事の種類及びその接地抵抗の許容される最大値[Ω]の組合せとして正しいものは。 なお、引込線の電源側には地絡遮断装置は設置されていない。 イ. C種接地工事 10Ω ロ ...

→ Detail

配線図27

→で示す部分の接地工事の接地抵抗の最大値と、電線(軟銅線)の最小太さの組合せで、適切なものは。 【注】漏電遮断器は、定格感度電流30mA、動作時間0.1秒以内のものを使用している。 イ.  ...

→ Detail

配線図26

→で示す部分の電路と大地間の絶縁抵抗として、許容される最小値[MΩ]は。 イ. 0.1 ロ. 0.2 ハ. 0.4 二. 1.0 答え

→ Detail

配線図25

→で示す図記号(◆)の名称は。 イ. 一般点滅器 ロ. 一般形調光器 ハ. ワイドハンドル形点滅器 二. ワイド形調光器 答え

→ Detail

配線図24

→で示す部分にコード吊りで白熱電球を取り付ける。使用できるコードと最小断面積の組合せとして、正しいものは。(注:設置場所は屋内、乾燥した場所) イ. ビニルコード 1.25〔mm2〕 ロ. ...

→ Detail

配線図23

図で示す部分(VVR)の温水器にいたる電線の最小太さは。 イ. 断面積14〔mm2〕 ロ. 断面積8〔mm2〕 ハ. 断面積2.6〔mm2〕 二. 断面積2.0〔mm2〕 答え

→ Detail

配線図22

→の部分で施設する配線用遮断器(200V)は。 イ. 2極1素子 ロ. 2極2素子 ハ. 3極2素子 二. 3極3素子 答え

→ Detail

配線図21

→で示す部分に取り付ける器具は。 イ.  ロ.  ハ.  二.  答え

→ Detail